摘要: 随着爆破在工程上的应用越来越广泛, 它所带来的危害也日益增多。因此, 通过介绍爆破震动特点及对实体工程进行监测, 运用国际通用分析软件 ANSYS对二层框架结构房屋进行动力响应分析, 给出了结构受损部位和破坏规律。
关键词: 爆破震动; 结构; 动力响应
爆破,是国家基本建设中一项重要的工程技术手段。爆破, 是指某一物质系统在有限空间和极短时间内, 大量能量迅速释放或急剧转化的物理、化学过程, 它的本质概念就是爆炸。通常人们常讲的爆破, 是指土体和岩体介质中的爆破, 也称土岩爆破。因此, 爆破的实质是指炸药能量与土岩介质的相互作用, 并作功[ 1 ] 。
爆破在国家基本建设中得到了广泛发展, 尤其在土木工程领域, 炸药已有效地运用于各种工业的施工, 例如工程改建, 铺筑基础, 基础开挖, 地基土壤加固等等。爆破以快速、高效、低成本而极具优势成为工程上的首选。一方面, 它极大限度地降低了人们的劳动强度, 加快了建设速度和工程速度,给社会带来了巨大的方便。另一方面, 爆破灾害性事故也随着爆破工程数量的增多而增加, 并随着爆破爆炸药量的增大而更加严重。爆破引起路堑边坡失稳、滑坡、建筑结构受损等灾害时有发生。因此, 本文通过实体工程进行监测及应用 ANSYS对房屋进行动力响应分析, 分析了爆破地震作用下房屋结构破坏的原因及房屋结构破坏的规律。
1 爆破震动简介
工程爆破的灾害包括了爆破震动、爆破飞石、爆破空气波、噪音和毒气等。而爆破震动是伴随爆破工程产生的无法消除的有害效应, 是所有爆破有害效应中危害最严重的, 它直接威胁着人们生命和财产安全。爆破震动是炸药的一小部分能量转换为地震波, 爆炸后从爆源以波的形式向外传播, 经过介质到达地表, 引起地面振动. 这种地震动的强度随着爆心距的增加而减弱. 在爆区的一定范围内, 当地震动达到一定的强度时, 会引起地表和建筑物、构筑物不同程度的破坏。这种爆破震动引起的各种现象及其后果, 称为爆破地震效应 [ 2] 。
爆破震动在一般情况下具有以下特点[ 3] [ 4] :
第一, 在同方向同地段爆破振动衰减规律相同, 反之, 衰减规律则不同。
第二, 纵波和横波的品质因数不同, 当介质为泊松体, 纵波和横波的品质因数之比为 9 /4. 由此可知介质对横波的吸收要比纵波的吸收严重, 这样爆破地震波的水平径向振速大于垂直向振速, 两者的比值随测点与爆源的距离加大而加大, 随着药量的加大而加大。
第三, 若测点与爆源的相互位置不同时, 即使测点在等距离或等高程上, 振速的大小也不同。抵抗线背向的振速比抵抗线前方的爆破震动强度大,与抵抗线垂直方向的振速是抵抗线方向的 60 -80% 。
第四, 地形对地震波振速有很大的影响。当河流及河沟的走向与地震波的传播方向夹角较大时,河流及河沟有明显的减震用。当河流及河沟的走向与地震波的传播方向夹角较小时, 河流及河沟对地震波有明显汇聚作用。
第五, 爆区的形状对震动强度的等强度线形状有影响。当爆区为一长方形时, 在爆破近区, 等振速线为一长轴与抵抗线平行的椭圆, 随着距离增大, 渐渐向外扩展成一圆形, 爆区的长度比越大, 这一现象就越明显。
第六, 坚硬岩石中的爆破震速比土中爆破要高。微差爆破中延时不合理会造成波的干涉、叠加, 这种情况可使土中的质点震动速度增强 1. 5-2. 5倍, 但在岩石介质中则少见。一般而言要使用相邻起爆段产生的地震波主振相分离, 其间隔时间应大于主振两个周期。
第七, 光面爆破和预裂爆破中, 在同一炮孔中随着装药直径的增加, 爆破振动强度也相应增大等。
2 爆破地震效应引起房屋结构破坏机理
2. 1爆破震动对房屋结构破坏反应分析[ 4 ]
爆破震动使结构产生力效应和应变 ( 变形 ) 效应。其中爆破引起的力效应直接表现在它直接作用在结构上的拉力和压力, 对于有很大波阻抗介质中的一个结构, 这种力效应导致的结构荷载的变化是显著的[ 1] 。
地震波的应变效应表示为由地震波引起的震动由下层土传递到结构的基础上, 然后, 通过基础传递到上部结构, 结构产生动力响应, 引起结构振动变形。至于地下结构, 下层土的运动对整个地下结构产生力作用, 地下结构大多随下层土一起运动。由于地震效应导致的沙土液化, 地基不均匀沉降是严重地震效应。
除了上述之外, 大量工程实践也证明: 建筑物对地震波有放大效应。为了证明这一点。本文通过实际爆破时对附近 8层房屋底层、顶层的加速度进行了监测, 对震动进行频谱了分析, 如图 1、2所示。
从图中我们可以看出, 图 2为房屋顶层水平方向震动加速度, 其值为 0. 17, 图 1为底层水平方向向震动加速度, 其值为 0. 09. 顶层的加速度为底层的两倍。

图1 房屋底层水平方向振动频谱分析

图2 房屋顶层水平方向振动频谱分析
2. 2爆破震动频率对建筑破坏的影响[ 3]
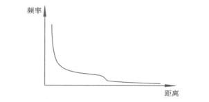
爆破地震与天然地震相比, 前者具有频率高,震动强度随距离衰减快, 并且, 持续时间短等特点,如图 3所示。爆破地震的卓越频率一般较高 ( 10 - 100H z), 相应地震波的波长在十余米至数十米之间。
从图 3可以看出, 频率随着距离的变化呈负指数变化。高频波有与大地系统有滤高频作用, 因此高频出现快速下降部分, 而低频波接近岩石介质固有频率, 因此会出现远区低频缓降的作用。当地震波频率接近房屋的故有频率, 就会发生共振, 这样就会使房屋发生破坏。这就解释了在实践中经常出现实测爆破地震加速度很大, 然而建筑物却没有损坏, 当实测数据很小, 建筑物因振动而出现裂缝的现象。

图3 爆破地震波频率衰减图
3 工程实例
为了研究建筑物在爆破地震作用下的动力响应, 本文对进行大量岩土爆破的众磊家园工程进行了监测。该工程位于贵阳市太慈桥、花溪大道与贵黄公路交叉口的北侧, 因开挖地下室而进行大量的岩土爆破。该工程场地, 南面为贵黄公路, 公路旁有 8层砖混住宅楼及砖混 2层房屋, 北面为川黔铁路。爆区环境示意图如下:

图4 爆区环境平面布置示意图及爆破地震效应测点布置图
由于距离爆破最近的是一栋 8层砖混结构住宅楼, 距离约有 6 m, 所以本文在此房屋的底层和顶层的四个角点上布置了监测点。除此之外, 还在附近的 2层砖混房屋的四个角点及爆区也进行了监测。测点布置图如图 4所示。测试方案分为两种: 1、爆破距离相同, 药量不同时的爆破震动的各项指标。 2、药量相同, 爆破条件不同, 各个距离的爆破震动的各项指标。爆破地震效应测试数据进行分析如下:
(1) 爆破距离相同, 药量不同监测结果记录 ( 水平距离为 6 m, 垂直距离为10 m, 药量不同 )
通过监测记录可绘制出频率与药量变化图、位移与药量变化图, 如图 5、图 6所示。
(2) 药量相同, 爆破方式不同由于该工程运用的爆破基本上是微差爆破, 齐炮非常少, 从有关研究可知, 齐炮引起的振动要比微差爆破大一些。但是本文主要是对爆破震动对建筑结构损坏原因分析, 即结构动力响应问题, 所以在此省略去一些测试数据。
除了上述两点分析以外, 药量相同, 结构不同房屋的破坏程度也不同。从大量实际工程来看, 建筑结构本身的质量好、较新, 稳定性好, 爆破振动响应较小, 反之较大。但是, 众所周知, 建筑的结构形式非常之多, 若一一的进行测试是不切实际的, 因此在此不再叙述。

图5 频率与药量变化图

图6 位移与药量变化图
4 房屋结构在爆破地震作用下的动力响应分析[ 5] [ 6 ]
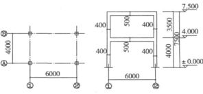
本文主要针对接近地面爆破时, 离爆点水平距离为 10 m 房屋进行模拟, 模型采用了 SOLID65单元[ 7] , 模型尺寸如图 7所示。模型混凝土强度等级为 C30, 梁、板混凝土等级为 C25. 柱为 400 mm 400 mm. 梁高为 500 mm, 板厚均为 100 mm. 由于有两种等级的混凝土, 综合取钢筋混凝土容重为 26kN /m3.

图7 房屋平面、立面示意图
由于建筑结构的动力反应过程是一个多模态的组合, 每个模态都对应不同的频率。不同的模态有完全不同的响应特征。在受迫振动阶段, 高频率影响着结构的振动模态, 但是在自由振动阶段却是低频率起着主导作用。ANSYS 分析结果如图 8 - 图 13所示。

图8 第一阶振型 图9 第三阶振型 图10 第四阶振型

图11 第六阶振型 图12 一阶X方向剪应力 图13 一阶Y方向剪应力
5 结论
爆破地震作用下二层框架结构 ANSYS分析结果表明:
由于爆破震动的影响, 结构产生了很大的位移趋势, 在结构的四个角产生了很大的应力, 结构将从四个角点发生破坏。但是除了少数危险部位达到屈服应变之外, 大部分位置的最大应变都小于屈服应变, 所以虽然结构可能会产生一些裂缝, 但是,整体结构不会出现破坏。这就如我们经常看到的情况一样, 结构受到爆破振动之后, 房屋会在薄弱部位产生细如发丝的裂缝, 墙体产生龟裂之外, 房屋的主体结构一般情况下不会出现破坏, 除非, 爆破距离非常之小, 且药量非常之大的情况下才可能发生主体结构产生破坏。